是
铜合金
大于250bar
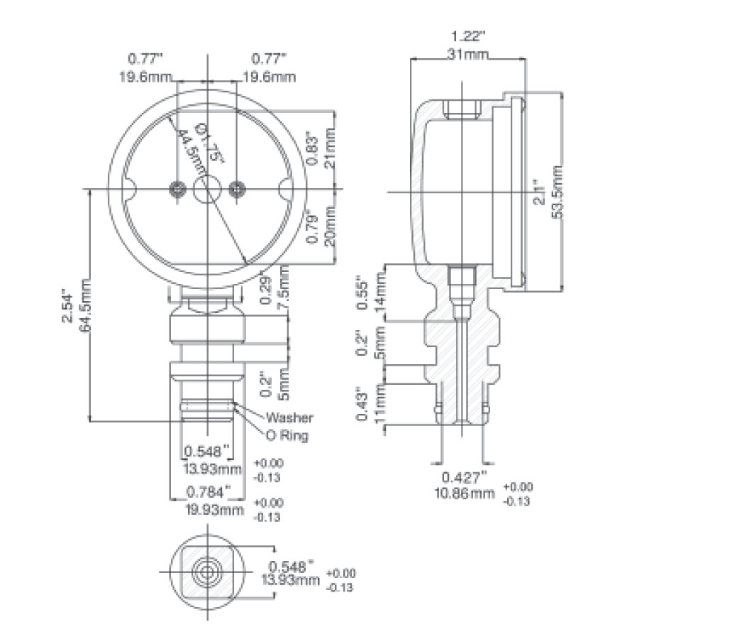
40mm
2.5
波登管
应用
采矿、冶金行业
地下采矿液压支撑
功能特性
双指针
铜外壳
体积小
量程可定制
描述
双指针,红针能准确记录管道内的瞬间最高����� �������Ƴ������������ �������Ƴ������������ �������Ƴ������������ �������Ƴ������压力,并停留在最高位置,黑针指示当时的压力����� �������Ƴ����������� �������Ƴ������������ �������Ƴ������������ �������Ƴ������
应用
采矿、冶金行业
地下采矿液压支撑
功能特性
双指针
铜外壳
体积小
量程可定制
描述
双指针,红针能准确记录管道内的瞬间最高压力,并停����� �������Ƴ������������ �������Ƴ������������ �������Ƴ������������ �������Ƴ�������留在最高位置,黑针指示当时的压力����� �������Ƴ������������ �������Ƴ������������ �������Ƴ������������ �������Ƴ�������
| 表盘 | 2” (50mm): White����� �������Ƴ����������� �������Ƴ������������ �������Ƴ������������ �������Ƴ������� 铝, 黑色字样罩壳, 三色刻度 (红����� �������Ƴ����������� �������Ƴ������������ �������Ƴ������������ �������Ƴ�������, 绿, 黄) |
| 底壳 | 一体锻造黄铜外壳 |
| 接液部件 | 黄铜 |
| 充液 | 甘油 |
| 镜面 | PC |
| 指针 | 铝, 黑色阳极 |
| 超压极限 | 25% 最大量程 |
| 工作压力 | 最大量程的70% |
| 工作温度 | 甘油填充-20°C到65&de����� �������Ƴ������������ �������Ƴ������������ �������Ƴ������������ �������Ƴ�������g;C ,无油-40°C到����� �������Ƴ������������ �������Ƴ������������ �������Ƴ������������ �������Ƴ�������65°C |
| 精度 | ±3-2-3% ANSI����� �������Ƴ����������� �������Ƴ������������ �������Ƴ������������ �������Ƴ�������/ASME Grade B |
| 防护等级 | IP65 |
| 表盘 | 2” (50mm): W����� �������Ƴ������������ �������Ƴ������������ �������Ƴ������������ �������Ƴ�������hite 铝, 黑色字样����� �������Ƴ������������ �������Ƴ������������ �������Ƴ������������ �������Ƴ�������罩壳, 三色刻度 (红, 绿, 黄) |
| 底壳 | 一体锻造黄铜外壳 |
| 接液部件 | 黄铜 |
| 充液 | 甘油 |
| 镜面 | PC |
| 指针 | 铝, 黑色阳极 |
| 超压极限 | 25% 最大量程 |
| 工作压力 | 最大量程的70% |
| 工作温度 | 甘油填充-20°C到65&de����� �������Ƴ������������ �������Ƴ������������ �������Ƴ������������ �������Ƴ������g;C ,无油-40°����� �������Ƴ������������ �������Ƴ������������ �������Ƴ������������ �������Ƴ�������C到65°C |
| 精度 | ±3-2-3% ANS����� �������Ƴ������������ �������Ƴ������������ �������Ƴ������������ �������Ƴ������I/ASME Grade B |
| 防护等级 | IP65 |